国産BIM・GLOOBE、点群アシスト機能を新搭載で3月8日発売|建築現場のデジタルツイン

福井コンピュータアーキテクト株式会社(本社︓福井県坂井市、代表取締役社長︓田辺 竜太)では、BIM建築設計・施工支援システムGLOOBEにおいて、建築現場に役立つ機能を大幅に強化した「GLOOBE 2023」を2023年3月8日(水)に発売します。
概要
「GLOOBE 2023」では、これまでの「施工」「工程」「数量」における3次元モデルの活用に加え、「点群アシスト」機能を搭載して建築業務における点群データの活用を促進します。便利だから「使う」3次元の更なる進化をテーマに建築現場の“デジタルツイン”の実現と“生産性向上”に貢献します。

最新版のポイント
GLOOBE点群アシスト【GLOOBEシリーズ共通オプション】
3D点群+BIMモデルのシームレス連携とハイブリッド活用による建築現場のデジタルツインを実現。
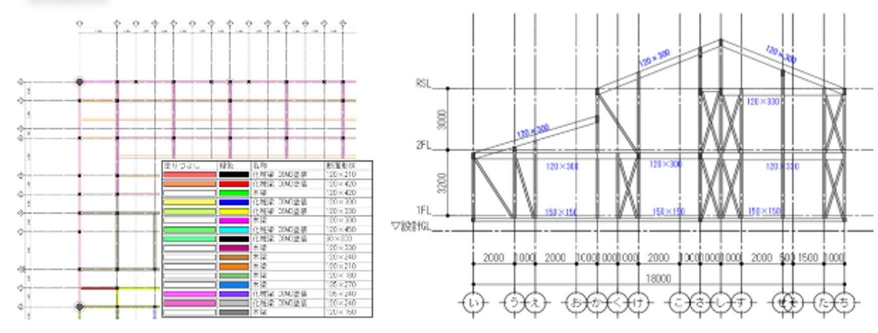
GLOOBE Architect【設計BIM】
中大規模木造建築へのアプローチとして木造床伏図と軸組図を強化。
GLOOBE Construction【施工BIM】
躯体数量の「見える化」を実現。コンクリート、型枠、鉄筋数量の自動算出強化とモデル確認。
リリース日
2023年3月8日(水)
価格(税抜)

GLOOBE 2023の主なワークフローと新機能

3D点群データ活用『GLOOBE点群アシスト』(NEW)
点群+BIMモデルのシームレス連携とハイブリッド活用
・「点群アシスト」機能搭載により、3DレーザースキャナーやLiDAR(ライダー)などから取り込んだ3D点群データの加工・編集・合成が可能
・GLOOBE Architect/Constructionとシームレスに連携することで、新築や増改築など建築業務の様々なシーンに合わせた3D点群データとBIMモデルのハイブリッド活用が可能
・活用シーン:【竣工・施工計画】【掘削計画】【足場・揚重計画】【出来形チェック】【干渉チェック】等

GLOOBE Architect(設計BIM)
木造床伏図・木造軸組図を備え、中大規模木造設計シーンでの利用を促進
・ 木造床伏図で凡例表示に対応
・木造軸組図で通り芯と方向を指定する事で自動作成

木造床伏図・木造軸組図を備え、中大規模木造設計シーンでの利用を促進
・木造床伏図で凡例表示に対応
・木造軸組図で通り芯と方向を指定する事で自動作成

GLOOBE Construction(施工BIM)
躯体数量の見える化と精度の向上
・集計部材が「どこで」「どのように」配置されているか、平面・3D・リストから確認が可能
・建築現場で使えるコンクリート、型枠、鉄筋数量の自動算出強化と精度の向上

施工モデルと躯体図作成の強化
・型枠・支保工のモデル、図面を自動作成
・寸法線・記号編集コマンドで躯体図作成をアシスト
・仮設メーカーの仮設足場を標準搭載
※掲載予定メーカー:アルインコ㈱、信和㈱、㈱タカミヤ、㈱ダイサン、日建リース工業㈱(五十音順)

施工ステップ計画に対応した3D工程シミュレーション
・鉄骨躯体、外部足場の「節」「ピース」「工区」割当てによるステップ計画、揚重計画、数量集計に対応

※本資料の掲載画像は開発中のものです
関連イベント BIM情報発信「G-Styleフォーラム」1月31日(火)開催 <参加無料>
GLOOBE 2023リリースを記念して、BIM情報発信オンラインイベント「G-Styleフォーラム VOL2」を開催いたします。「建設DXを活用したこれからの設計・施工デジタルワーク」と題し、BIM・建設DXの最新動向、国土交通省住宅局様をはじめGLOOBEユーザー様の事例紹介など旬なセミナーとGLOOBE最新バージョンについて詳しくご紹介させていただきます。

・主催:福井コンピュータアーキテクト株式会社
・後援:一般社団法人軽仮設リース業協会/日本ERI株式会社/一般社団法人日本建築士事務所協会連合会
・Youtube LIVE配信/事前申込制/参加費無料
▼イベント詳細・参加お申込みは以下URLから
https://archi.fukuicompu.co.jp/event/detail.php?rec_id=15843&nrid=gsf
■ニュースリリース PDFデータはこちらから
https://archi.fukuicompu.co.jp/sys_img/tp_of_detail/_DL_799.pdf